USP Icon
Post-paiement
USP Icon
Les clients évaluent Zandri à 9
USP Icon
Plus de 100 000 pièces dans l'assortiment

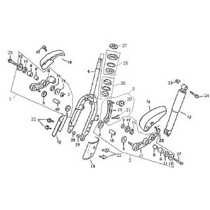
Accu Rover Exclusive bleu clair

Accu Rover Exclusive bleu clair
loader
Chargement...

Pièces détachées Rover Exclusive bleu clair