USP Icon
Post-paiement
USP Icon
Les clients évaluent Zandri à 9
USP Icon
Plus de 100 000 pièces dans l'assortiment

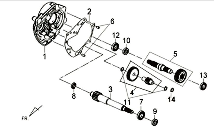
Arbres de transmission Sym XPRO 50 E4

Arbres de transmission Sym XPRO 50 E4
loader
Chargement...