USP Icon
Post-paiement
USP Icon
Les clients évaluent Zandri à 9
USP Icon
Plus de 100 000 pièces dans l'assortiment

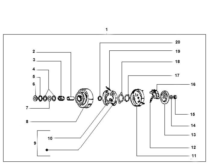
Embrayage Vespa Ciao 2 temps

Embrayage Vespa Ciao 2 temps
loader
Chargement...