USP Icon
Post-paiement
USP Icon
Les clients évaluent Zandri à 9
USP Icon
Plus de 100 000 pièces dans l'assortiment

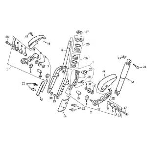
Lampe clignotante pour Benzhou Retro blanc noir

Lampe clignotante pour Benzhou Retro blanc noir
loader
Chargement...

Pièces détachées Benzhou Retro blanc noir