USP Icon
Post-paiement
USP Icon
Les clients évaluent Zandri à 9
USP Icon
Plus de 100 000 pièces dans l'assortiment

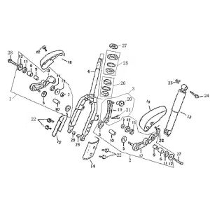
Lumière clignotante derrière China Retro blanc

Lumière clignotante derrière China Retro blanc
loader
Chargement...

Pièces détachées China Grande Retro blanc