USP Icon
Post-paiement
USP Icon
Les clients évaluent Zandri à 9
USP Icon
Plus de 100 000 pièces dans l'assortiment

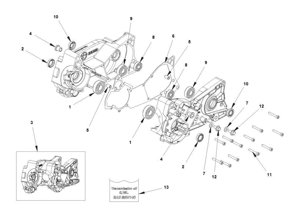
Carter moteur Bye-Bike-Bye Bike Carter

Carter moteur Bye-Bike-Bye Bike Carter
loader
Chargement...