USP Icon
Post-paiement
USP Icon
Les clients évaluent Zandri à 9
USP Icon
Plus de 100 000 pièces dans l'assortiment

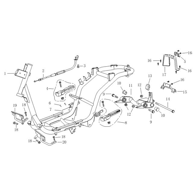
Cadre Agm Supreme

Cadre Agm Supreme
loader
Chargement...