USP Icon
Post-paiement
USP Icon
Les clients évaluent Zandri à 9
USP Icon
Plus de 100 000 pièces dans l'assortiment

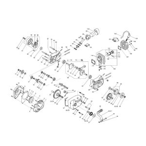
Cadre Beta Cyclo 45km rouge 2007 2 temps

Cadre Beta Cyclo 45km rouge 2007 2 temps
loader
Chargement...

Pièces détachées Beta Cyclo 45km/h rouge 2007 2 temps