USP Icon
Post-paiement
USP Icon
Les clients évaluent Zandri à 9
USP Icon
Plus de 100 000 pièces dans l'assortiment

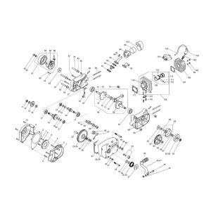
Cadre Beta Cyclo Delivery 45km noir 2007

Cadre Beta Cyclo Delivery 45km noir 2007
loader
Chargement...

Pièces détachées Beta Cyclo Delivery 45km/h noir 2007 2 temps