USP Icon
Post-paiement
USP Icon
Les clients évaluent Zandri à 9
USP Icon
Plus de 100 000 pièces dans l'assortiment

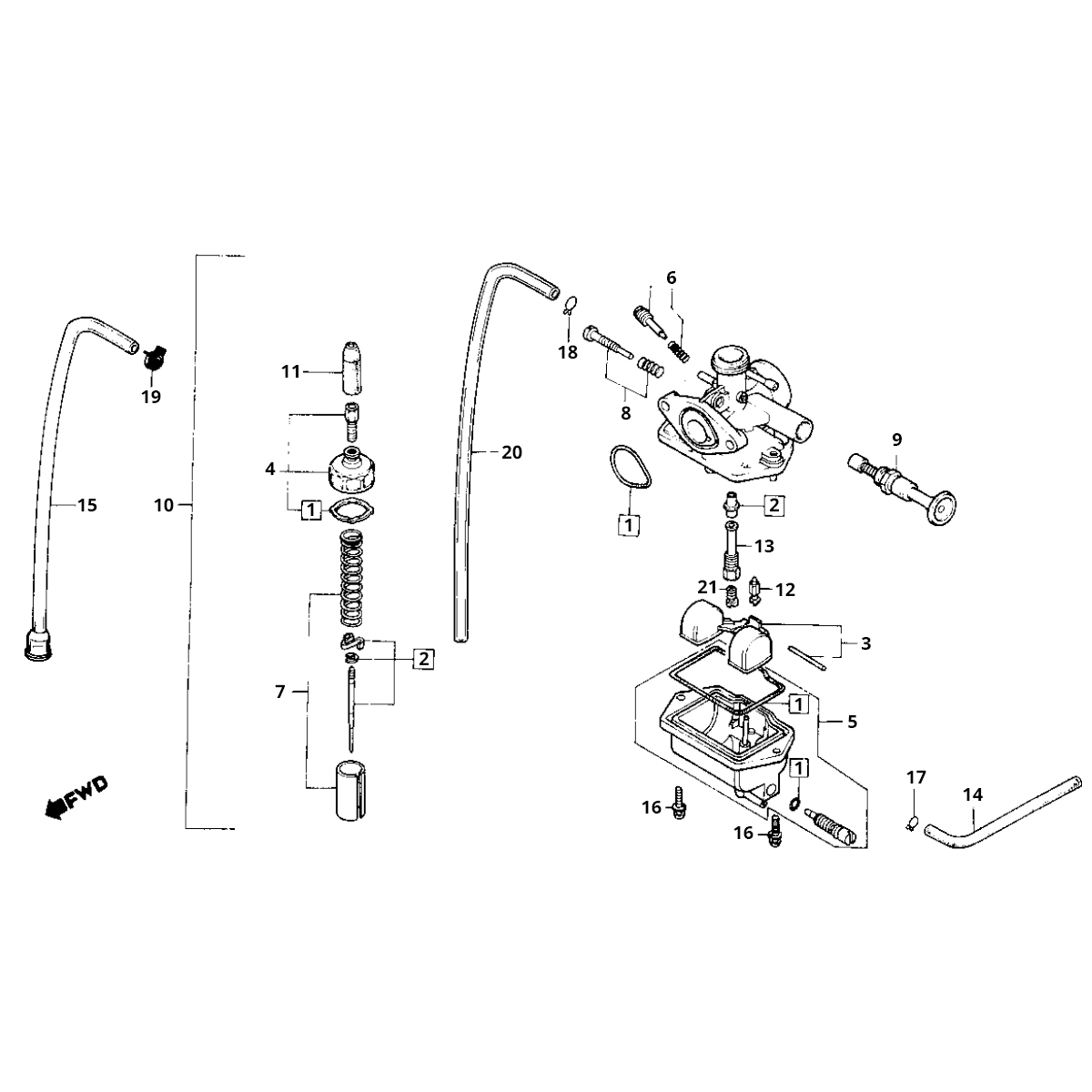
Carburateur Honda MB/MT/MTX 50

Carburateur Honda MB/MT/MTX 50
loader
Chargement...

Honda MB50