USP Icon
Post-paiement
USP Icon
Les clients évaluent Zandri à 9
USP Icon
Plus de 100 000 pièces dans l'assortiment

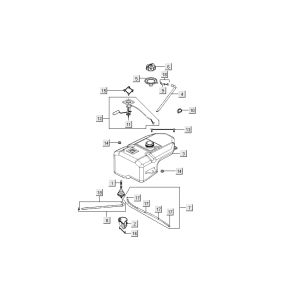
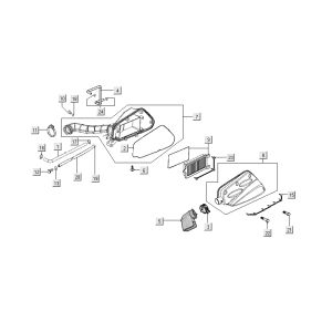
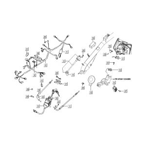
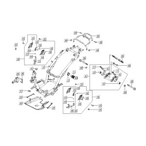
clignotants Kymco People S 4 temps Elegance noir

clignotants Kymco People S 4 temps Elegance noir
loader
Chargement...

Pièces détachées Kymco People S 4 temps Elegance noir