USP Icon
Post-paiement
USP Icon
Les clients évaluent Zandri à 9
USP Icon
Plus de 100 000 pièces dans l'assortiment

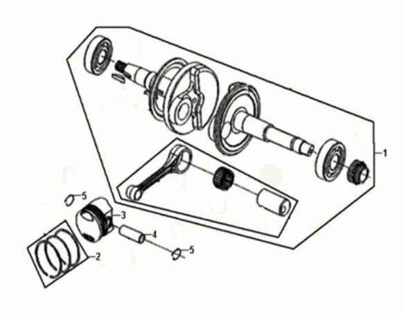
Crank shaft Sym Crox 50 E5

Crank shaft Sym Crox 50 E5
loader
Chargement...