USP Icon
Post-paiement
USP Icon
Les clients évaluent Zandri à 9
USP Icon
Plus de 100 000 pièces dans l'assortiment

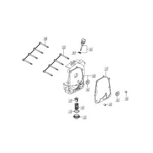
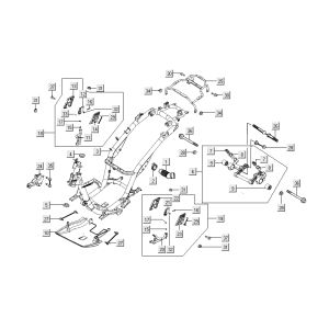
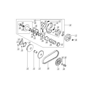
Culasse Kymco People S 4 temps Gris mat

Culasse Kymco People S 4 temps Gris mat
loader
Chargement...

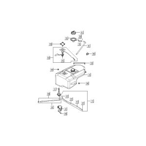
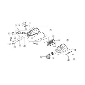
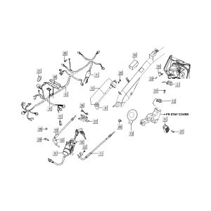
Pièces détachées Kymco People S 4 temps gris mat