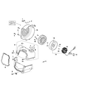
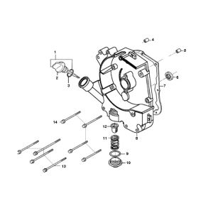
Culasse Senzo RivaLux S 4 temps
Mon panier
Produits dans le panier Produit dans le panier
Sous-total:
Livraison:
Estimation à l'étape suivante
Subtotal excl Tax:
Commander en utilisant votre compte
Commander en tant que nouveau client
La création d’un compte possède de nombreux avantages :