USP Icon
Post-paiement
USP Icon
Les clients évaluent Zandri à 9
USP Icon
Plus de 100 000 pièces dans l'assortiment

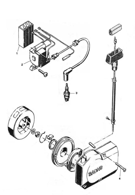
Démarrage manuel d'allumage Sachs

Démarrage manuel d'allumage Sachs
loader
Chargement...