USP Icon
Post-paiement
USP Icon
Les clients évaluent Zandri à 9
USP Icon
Plus de 100 000 pièces dans l'assortiment

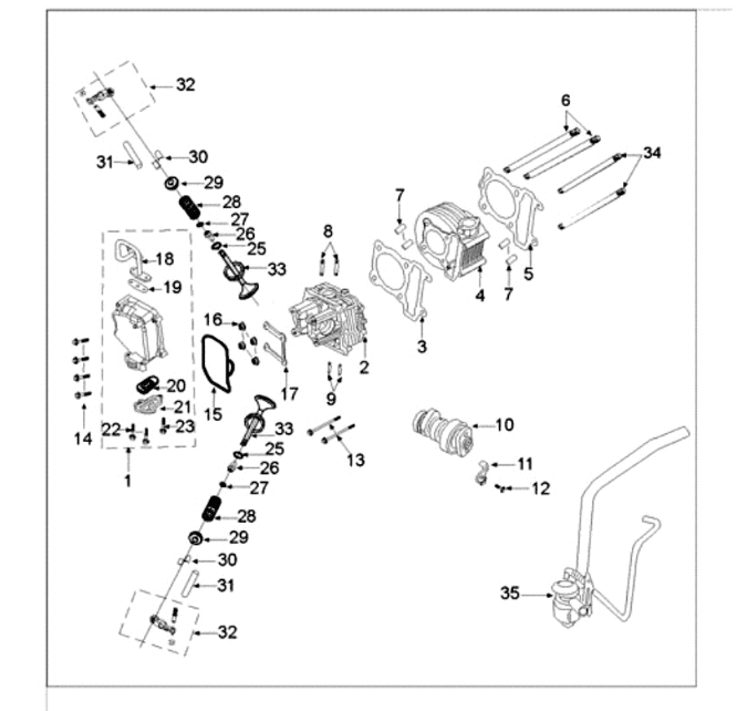
Distributie Peugeot Tweet 125 E3 2010-2013

Distributie Peugeot Tweet 125 E3 2010-2013
loader
Chargement...