USP Icon
Post-paiement
USP Icon
Les clients évaluent Zandri à 9
USP Icon
Plus de 100 000 pièces dans l'assortiment

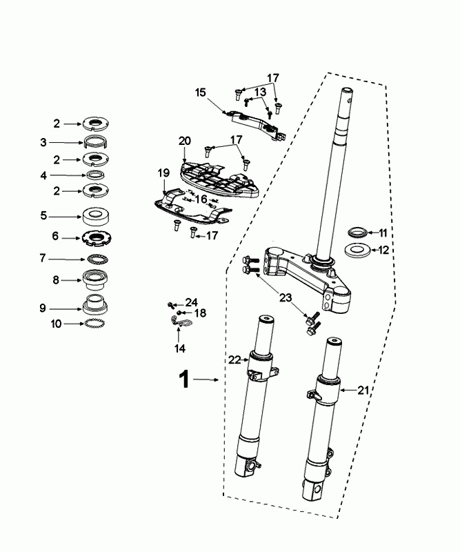
Fourche avant Peugeot Django Euro 4

Fourche avant Peugeot Django Euro 4
loader
Chargement...