USP Icon
Post-paiement
USP Icon
Les clients évaluent Zandri à 9
USP Icon
Plus de 100 000 pièces dans l'assortiment

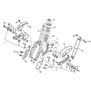
Amortisseur de garde-boue arrière BTC Grande Retro rouge

Amortisseur de garde-boue arrière BTC Grande Retro rouge
loader
Chargement...

Pièces détachées BTC Grande Retro rouge