USP Icon
Post-paiement
USP Icon
Les clients évaluent Zandri à 9
USP Icon
Plus de 100 000 pièces dans l'assortiment

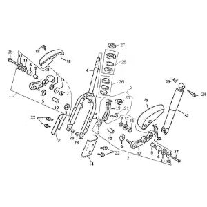
Skin-Skirt Vom Bella noir

Skin-Skirt Vom Bella noir
loader
Chargement...

Pièces détachées Vom Bella noir