USP Icon
Post-paiement
USP Icon
Les clients évaluent Zandri à 9
USP Icon
Plus de 100 000 pièces dans l'assortiment

Jupe Rover Exclusive smokey

Jupe Rover Exclusive smokey
loader
Chargement...

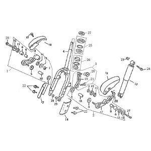
Pièces détachées Rover Exclusive smokey