USP Icon
Post-paiement
USP Icon
Les clients évaluent Zandri à 9
USP Icon
Plus de 100 000 pièces dans l'assortiment

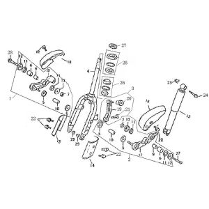
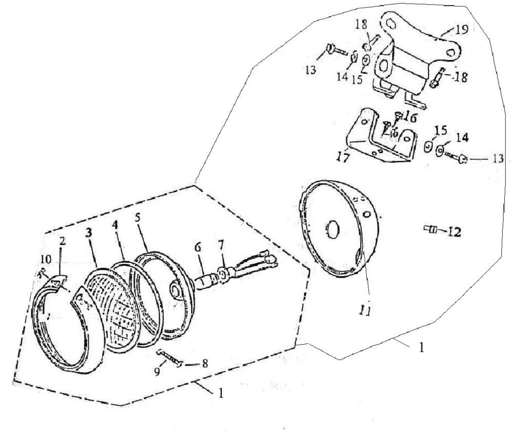
Phare Fosti Retro crème à café

Phare Fosti Retro crème à café
loader
Chargement...

Pièces détachées Fosti Grande Retro café beige