USP Icon
Post-paiement
USP Icon
Les clients évaluent Zandri à 9
USP Icon
Plus de 100 000 pièces dans l'assortiment

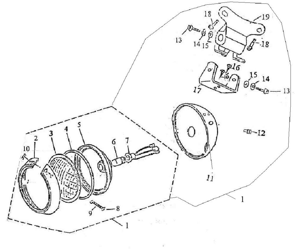
Phare Eagle-Wing Torino crème café

Phare Eagle-Wing Torino crème café
loader
Chargement...

Pièces détachées Eagle-Wing Torino café beige