USP Icon
Post-paiement
USP Icon
Les clients évaluent Zandri à 9
USP Icon
Plus de 100 000 pièces dans l'assortiment

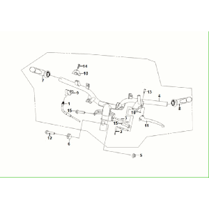
Optique de phareSym Fiddle All Euro 5

Optique de phareSym Fiddle All Euro 5
loader
Chargement...

Sym Fiddle II Euro5 Matt Green (GN-371U)