USP Icon
Post-paiement
USP Icon
Les clients évaluent Zandri à 9
USP Icon
Plus de 100 000 pièces dans l'assortiment

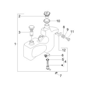
Amortisseur Vespa LXV 2 temps

Amortisseur Vespa LXV 2 temps
loader
Chargement...

Pièces détachées Vespa LXV 2 temps gris 780/A