USP Icon
Post-paiement
USP Icon
Les clients évaluent Zandri à 9
USP Icon
Plus de 100 000 pièces dans l'assortiment

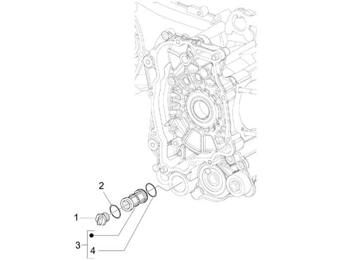
Filtre à huile Piaggio New Fly 4 temps 4 soupapes

Filtre à huile Piaggio New Fly 4 temps 4 soupapes
loader
Chargement...

Pièces détachées Piaggio New Fly 4 temps 4V 45km/h bleu midnight 222/A