USP Icon
Post-paiement
USP Icon
Les clients évaluent Zandri à 9
USP Icon
Plus de 100 000 pièces dans l'assortiment

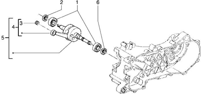
Vilebrequin Piaggio Liberty 2 temps jusqu'à 2005

Vilebrequin Piaggio Liberty 2 temps jusqu'à 2005
loader
Chargement...

Pièces détachées Piaggio Liberty 2 temps <2005