USP Icon
Post-paiement
USP Icon
Les clients évaluent Zandri à 9
USP Icon
Plus de 100 000 pièces dans l'assortiment

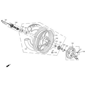
Amortisseur China Retro Extra noir

Amortisseur China Retro Extra noir
loader
Chargement...

Pièces détachées China Retro Extra noir