USP Icon
Post-paiement
USP Icon
Les clients évaluent Zandri à 9
USP Icon
Plus de 100 000 pièces dans l'assortiment

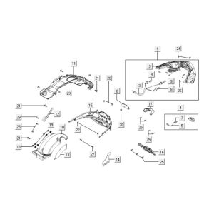
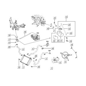
Volant Kymco Downtown 125i

Volant Kymco Downtown 125i
loader
Chargement...