USP Icon
Post-paiement
USP Icon
Les clients évaluent Zandri à 9
USP Icon
Plus de 100 000 pièces dans l'assortiment

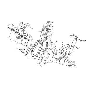
Béquille centrale latérale Pronto Amaro 125cc

Béquille centrale latérale Pronto Amaro 125cc
loader
Chargement...