USP Icon
Post-paiement
USP Icon
Les clients évaluent Zandri à 9
USP Icon
Plus de 100 000 pièces dans l'assortiment

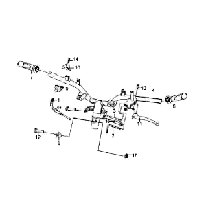
Bloc-batterie Sym Fiddle White WH8018P

Bloc-batterie Sym Fiddle White WH8018P
loader
Chargement...

Pièces détachées Sym Fiddle argenty S880S