USP Icon
Post-paiement
USP Icon
Les clients évaluent Zandri à 9
USP Icon
Plus de 100 000 pièces dans l'assortiment

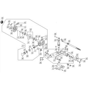
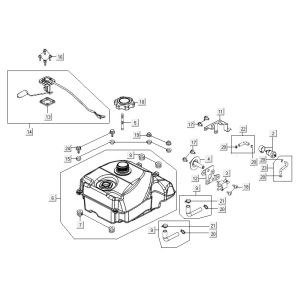
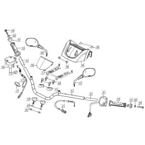
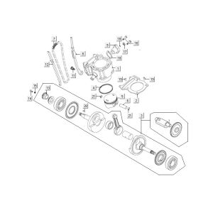
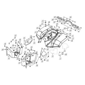
Système de commutation Kymco MXU 300R

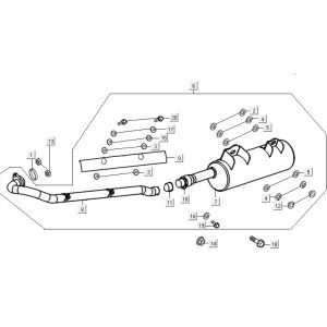
Système de commutation Kymco MXU 300R
loader
Chargement...