USP Icon
Post-paiement
USP Icon
Les clients évaluent Zandri à 9
USP Icon
Plus de 100 000 pièces dans l'assortiment

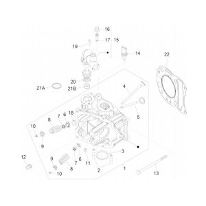
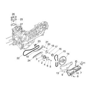
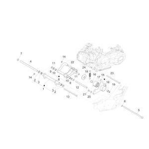
Variateur GTS 125 UI

Variateur GTS 125 UI
loader
Chargement...

Vespa GTS 125 IE 2009-2016 noir 94