Dessins techniques pour Beta Ark-k Ac 2 temps jaune-bleu
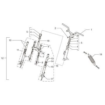
Cliquez ici sur les dessins techniques ou en vue éclatée de la trottinette 2 temps jaune-bleu Beta Ark-k Ac pour laquelle vous recherchez des pièces ou des accessoires. Les dessins techniques du Beta Ark-k Ac 2 temps jaune-bleu vous donnent un aperçu clair des différentes pièces et accessoires correspondants. En recherchant vos pièces, vous aurez toujours des pièces adaptées à votre Beta Ark-k Ac 2 temps jaune-bleu.


