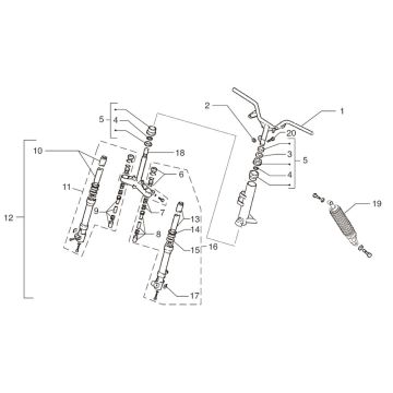
Dessins techniques pour Beta Ark-k Ac one 2010 2 temps
Cliquez ici sur les dessins techniques ou en vue éclatée du scooter 2 temps Beta Ark-k Ac one 2010 pour lequel vous recherchez des pièces ou des accessoires. Les dessins techniques du Beta Ark-k Ac one 2010 2 temps vous donnent un aperçu clair des différentes pièces et accessoires correspondants. En recherchant vos pièces, vous aurez toujours des pièces adaptées à votre Beta Ark-k Ac one 2010 2 temps.


