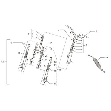
Dessins techniques pour Beta Ark-k Ac racing 2006 2 temps
Cliquez ici sur les dessins techniques ou en vue éclatée du scooter 2 temps Beta Ark-k Ac racing 2006 pour lequel vous recherchez des pièces ou des accessoires. Les dessins techniques de la Beta Ark-k Ac racing 2006 2 temps vous donnent un aperçu clair des différentes pièces de montage et accessoires. En recherchant vos pièces, vous aurez toujours des pièces adaptées pour votre Beta Ark-k Ac racing 2006 2 temps.


