Dessins techniques pour Beta ARK-Tribe Ac silver 2009 2 temps
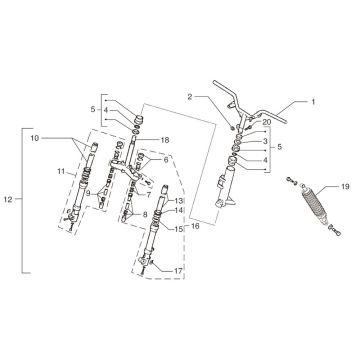
Cliquez ici sur les dessins techniques ou en vue éclatée du scooter 2 temps Beta ARK-tribe Ac silver 2009 pour lequel vous recherchez des pièces ou des accessoires. Les dessins techniques de la tribu Beta Ark Ac silver 2009 2 temps vous donnent un aperçu clair des différentes pièces et accessoires assortis. En recherchant vos pièces, vous aurez toujours des pièces adaptées pour votre Beta Ark tribe Ac silver 2009 2 temps.


