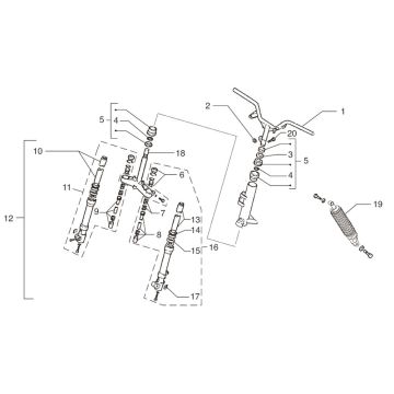
Dessins techniques pour Beta ARK-Tribe Ac white 2009 2 temps
Cliquez ici sur les dessins techniques ou en vue éclatée de la trottinette 2 temps Beta ARK-tribe Ac wit 2009 pour laquelle vous recherchez des pièces ou des accessoires. Les dessins techniques de la tribu Beta Ark Ac white 2009 2 temps vous donnent un aperçu clair des différentes pièces de montage et accessoires. En recherchant vos pièces, vous aurez toujours des pièces adaptées à votre Beta Ark tribe Ac white 2009 2 temps.


