Tomos Flexer EX (L0-L2) onderdelen
De Tomos Flexer EX (L0-L2) is een sportieve uitvoering binnen de Flexer-serie die geliefd werd om zijn moderne styling en betrouwbare Tomos-techniek. Deze variant combineert een stevig frame met de kenmerkende tweetaktmotor en is zowel geschikt voor dagelijks gebruik als voor hobbyisten die hun brommer graag onderhouden of restaureren. Dankzij de degelijke bouw en eenvoudige techniek is de Flexer EX nog altijd een gewaardeerde klassieker.
Bij Zandri vind je zowel originele Tomos onderdelen als kwalitatieve vervangende onderdelen. Zo heb je altijd de juiste keuze om jouw Tomos Flexer EX (L0-L2) in topconditie te houden, of je nu kiest voor OEM-kwaliteit of een voordelig alternatief.
Waarom kiezen voor de Tomos Flexer EX (L0-L2)?
De Tomos Flexer EX (L0-L2) is populair vanwege zijn sportieve uitstraling en betrouwbare prestaties. Dit model staat bekend om zijn comfortabele zithouding, degelijke motorblok en wendbare rijgedrag. Dankzij de ruime beschikbaarheid van onderdelen is het onderhoud eenvoudig en blijft de Flexer EX een geliefd model onder Tomos-rijders.
Veel bestelde Tomos Flexer EX onderdelen bij Zandri
Sommige onderdelen van de Tomos Flexer EX slijten sneller of worden vaak vervangen tijdens onderhoud. Bij Zandri hebben we deze onderdelen altijd ruim op voorraad. Denk hierbij aan:
- Banden
- Uitlaten
- Cilinders
- Luchtfilters
- Ketting en tandwielen
Deze onderdelen bestel je eenvoudig en snel, zodat je Tomos Flexer EX (L0-L2) altijd betrouwbaar en rijklaar blijft.
Originele en vervangende Tomos onderdelen
Bij Zandri bestel je zowel originele Tomos onderdelen als betrouwbare vervangende onderdelen. Originele onderdelen garanderen de beste kwaliteit en pasvorm, terwijl vervangende onderdelen vaak een voordeliger alternatief zijn. Zo kies je altijd wat het beste past bij jouw Flexer EX.
Daarnaast biedt Zandri de mogelijkheid om onderdelen te zoeken op OEM-nummers (ter referentie). Zo weet je altijd zeker dat je het juiste vervangende onderdeel bestelt.
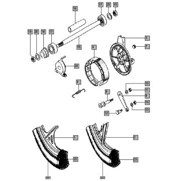
Vind eenvoudig het juiste onderdeel via technische tekeningen
Met behulp van de duidelijke technische tekeningen zie je precies waar elk onderdeel hoort. Je hoeft dus nooit te gokken en bestelt altijd het juiste onderdeel via onze webshop.
Zo werkt het:
- Kies jouw Tomos Flexer EX (L0-L2) model
- Bekijk de technische tekening
- Klik op het onderdeel dat je zoekt
- Bestel direct online
Montagehulp via ons YouTube-kanaal
Heb je hulp nodig bij het monteren van onderdelen? Op ons YouTube-kanaal vind je handige montagevideo’s speciaal voor Tomos brommers. Hier laten we stap voor stap zien hoe je onderdelen monteert en je Flexer EX in topconditie houdt.
Waarom onderdelen bestellen bij Zandri?
- Snelle levering – levertijd 1-3 werkdagen
- Veel op voorraad – originele én vervangende Tomos onderdelen
- Duidelijke tekeningen – je bestelt altijd het juiste onderdeel
- Goede klantenservice – wij denken met je mee
Bestel Tomos Flexer EX onderdelen bij Zandri
Of je nu kiest voor originele onderdelen of een voordelig vervangend alternatief: bij Zandri vind je alles om jouw Tomos Flexer EX (L0-L2) in topconditie te houden. Profiteer van ons ruime aanbod, snelle levering en uitstekende service.


