USP Icon
Post-paiement
USP Icon
Les clients évaluent Zandri à 9
USP Icon
Plus de 100 000 pièces dans l'assortiment

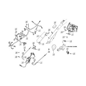
housses arrière Kymco People S 4 temps noir mat

housses arrière Kymco People S 4 temps noir mat
loader
Chargement...

Pièces détachées Kymco People S 4 temps noir mat