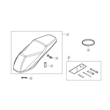
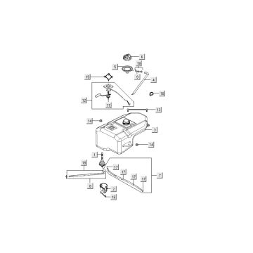
Dessins techniques pour Kymco People S 4 temps noir mat
Cliquez ici sur les dessins techniques ou en vue éclatée du Kymco People S 4 temps noir mat pour lequel vous recherchez des pièces ou des accessoires. Les dessins techniques du Kymco People S 4 temps noir mat vous donnent un aperçu clair des différentes pièces de fixation et accessoires. En recherchant vos pièces, vous aurez toujours des pièces adaptées à votre Kymco People S 4 temps noir mat.


