USP Icon
Post-paiement
USP Icon
Les clients évaluent Zandri à 9
USP Icon
Plus de 100 000 pièces dans l'assortiment

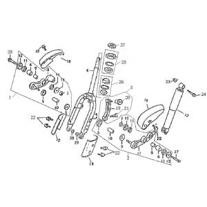
Blink arrière Berini Bella Milano bleu crème

Blink arrière Berini Bella Milano bleu crème
loader
Chargement...

Pièces détachées Berini Bella Milano bleu beige