USP Icon
Post-paiement
USP Icon
Les clients évaluent Zandri à 9
USP Icon
Plus de 100 000 pièces dans l'assortiment

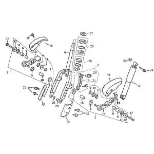
Lampe clignotante pour Znen Grand Retro bleu foncé

Lampe clignotante pour Znen Grand Retro bleu foncé
loader
Chargement...

Pièces détachées Znen Aurora IV bleu foncé