Pièces et accessoires pour Znen Aurora IV
Cliquez ici sur la version correcte de la Znen Grande Retro/ZN50QT-E pour laquelle vous recherchez des pièces ou des accessoires. Les dessins techniques du Znen Aurora IV vous donnent un aperçu clair des différentes pièces de fixation et accessoires. Les pièces d'origine Znen Aurora IV sont bien entendu les mieux adaptées.
La trottinette Znen Aurora IV
Le Znen Aurora IV est largement vendu et principalement à des fins récréatives. C'est une trottinette « amusante » vraiment amusante ! Le Znen Grand Retro 4 temps a un look classique. Le Retro est équipé d'un bloc moteur GY6, donc adapté au ravitaillement en carburant Euro 95. En utilisant des pièces chromées et un large volant, le caractère rétro de cette trottinette est encore plus souligné !
Pièces et couleurs
Ce type est disponible en plusieurs couleurs différentes. Des couleurs qui nous sont familières :
• noir
• Bleu clair
• Smokey
• Anthracite
• blanc
Cependant, il n'est pas garanti que lorsque vous commandez une nouvelle pièce de capot de la même couleur, elle sera exactement de la même couleur que les capots de votre scooter. La couleur peut parfois être légèrement différente.
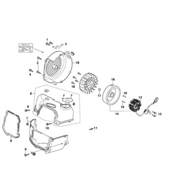
Pièces par dessin technique pour Znen Aurora IV
Ci-dessus, vous pouvez voir les modèles de type Retro dont nous avons des dessins techniques. Choisissez d'abord votre modèle, puis voyez le dessin dont vous pensez avoir besoin. Si vous recherchez des pièces de cette manière, vous avez toujours la garantie d'avoir des pièces et des accessoires adaptés à votre Znen Aurora IV. Pour l'entretien de votre Znen Grand Retro, il est très important que vous utilisiez des pièces bien ajustées, cela évite une usure inutile et peut vous faire économiser beaucoup de coûts inutiles.


