USP Icon
Post-paiement
USP Icon
Les clients évaluent Zandri à 9
USP Icon
Plus de 100 000 pièces dans l'assortiment

Casque Helmbak-Kapdelen Zen VPA noir

Casque Helmbak-Kapdelen Zen VPA noir
loader
Chargement...

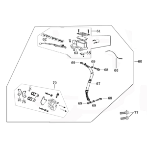
Pièces détachées Znen VPA Euro2 noir