Pièces et accessoires pour Znen VPA/ZN50QT-30A
Cliquez ici sur la version correcte de la trottinette Znen Snail /ZN50QT-A pour laquelle vous recherchez des pièces ou des accessoires. Les dessins techniques du Znen VPA/ZN50QT-30A vous donnent un aperçu clair des différentes pièces et accessoires correspondants. Les pièces d'origine Znen VPA/ZN50QT-30A sont bien sûr les mieux adaptées.
La trottinette Znen VPA
Le compartiment à bagages sous le siège de copain est grand. Le moteur 4 temps GY-6 assure une bonne force de traction. Le Znen VPA est un modèle de scooter classique. Le Znen VPA est un véritable sosie Vespa. L'APV fonctionne à l'essence sans plomb et est économique et silencieux. Le VPA est également adapté pour deux personnes et le Znen offre relativement d'espace pour les jambes.
Pièces et couleurs
Le type VPA est disponible en plusieurs couleurs. Des couleurs qui nous sont familières :
Pièces de rechange pour Znen VPA
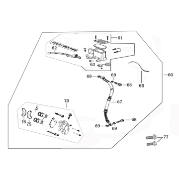
Pour l'entretien de votre Znen VPA, il est très important que vous utilisiez des pièces bien ajustées, ce qui évite une usure inutile et peut entraîner de nombreux coûts inutiles. Ci-dessus, vous pouvez voir les modèles du type VPA dont nous disposons des dessins techniques. Choisissez d'abord votre modèle, puis voyez le dessin dont vous pensez avoir besoin. Si vous recherchez des pièces de cette manière, vous avez toujours la garantie d'avoir des pièces et des accessoires adaptés à votre Znen VPA.


