USP Icon
Post-paiement
USP Icon
Les clients évaluent Zandri à 9
USP Icon
Plus de 100 000 pièces dans l'assortiment

Pièces et accessoires pour Znen VPA/ZN50QT-30A

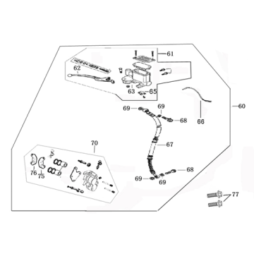
Cliquez ici sur la version correcte de la trottinette Znen Snail /ZN50QT-A pour laquelle vous recherchez des pièces ou des accessoires. Les dessins techniques du Znen VPA/ZN50QT-30A vous donnent un aperçu clair des différentes pièces et accessoires correspondants. Les pièces d'origine Znen VPA/ZN50QT-30A sont bien sûr les mieux adaptées.

Lire la suite
Pièces détachées Znen VPA Euro2 anthracite mat
Découvrez notre sélection dans cette catégorie
Produits 1-18 sur 28
arrow-sm-down

La trottinette Znen VPA


Le compartiment à bagages sous le siège de copain est grand. Le moteur 4 temps GY-6 assure une bonne force de traction. Le Znen VPA est un modèle de scooter classique. Le Znen VPA est un véritable sosie Vespa. L'APV fonctionne à l'essence sans plomb et est économique et silencieux. Le VPA est également adapté pour deux personnes et le Znen offre relativement d'espace pour les jambes.


Pièces et couleurs


Le type VPA est disponible en plusieurs couleurs. Des couleurs qui nous sont familières :
  • noir
  • Brun métallique
  • crème
  • Anthracite mat
  • bleu
  • fumée
  • La couleur sera toujours légèrement différente. Cependant, il n'est pas garanti que lorsque vous commandez une nouvelle pièce de capot de la même couleur, elle sera exactement de la même couleur que les capots de votre scooter.

    Pièces de rechange pour Znen VPA


    Pour l'entretien de votre Znen VPA, il est très important que vous utilisiez des pièces bien ajustées, ce qui évite une usure inutile et peut entraîner de nombreux coûts inutiles. Ci-dessus, vous pouvez voir les modèles du type VPA dont nous disposons des dessins techniques. Choisissez d'abord votre modèle, puis voyez le dessin dont vous pensez avoir besoin. Si vous recherchez des pièces de cette manière, vous avez toujours la garantie d'avoir des pièces et des accessoires adaptés à votre Znen VPA.

    loader
    Chargement...