USP Icon
Post-paiement
USP Icon
Les clients évaluent Zandri à 9
USP Icon
Plus de 100 000 pièces dans l'assortiment

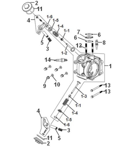
Culasse Sym Symphony ST 50 E5

Culasse Sym Symphony ST 50 E5
loader
Chargement...

Sym Symphony ST Euro 5 Gray / Red (GY-010U)