USP Icon
Post-paiement
USP Icon
Les clients évaluent Zandri à 9
USP Icon
Plus de 100 000 pièces dans l'assortiment

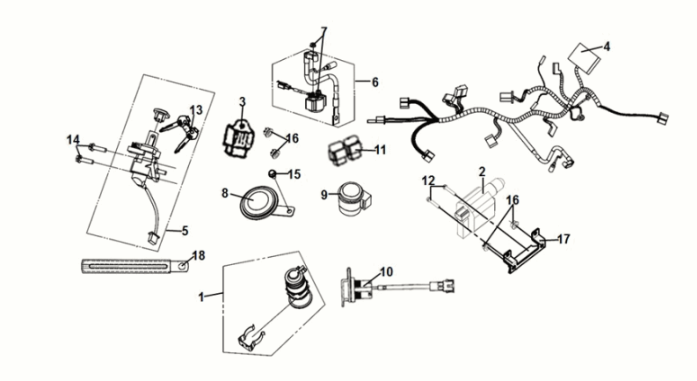
Faisceau de câbles Sym Symphony ST 50 E5

Faisceau de câbles Sym Symphony ST 50 E5
loader
Chargement...

Sym Symphony ST Euro 5 Gray / Red (GY-010U)