USP Icon
Post-paiement
USP Icon
Les clients évaluent Zandri à 9
USP Icon
Plus de 100 000 pièces dans l'assortiment

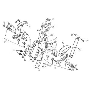
MarchepiedZen Grand Retro bleu clair

MarchepiedZen Grand Retro bleu clair
loader
Chargement...

Pièces détachées Znen Aurora IV bleu clair