USP Icon
Post-paiement
USP Icon
Les clients évaluent Zandri à 9
USP Icon
Plus de 100 000 pièces dans l'assortiment

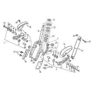
MarchepiedVom Bella Retro creme

MarchepiedVom Bella Retro creme
loader
Chargement...

Pièces détachées Vom Bella Retro beige